KPVV 25-42
TEMEL ÖZELLİKLER
- Model: KPVV 25-42
- Debi Aralığı: 25-42 cm³/devir
- Maks. Çalışma Basıncı: 350 bar
- Maks. Devir Sayısı: 3000 rpm
- Kontrol Tipi: Elektro-hidrolik oransal kontrol
TEKNİK AVANTAJLAR
- Yüksek enerji verimliliği
- Düşük gürültü seviyesi (<75 dB)
- Entegre basınç sınırlama valfi
- ISO 4401 standart bağlantılar
UYGULAMA ALANLARI: Enjeksiyon makineleri, hidrolik presler, endüstriyel tesisler, özel makineler
STANDART DONANIM: SAE B mil bağlantısı, yağ soğutma kanalları, dijital kontrol arayüzü
ÖZEL ÖZELLİK: Akıllı kontrol ünitesi ile uzaktan izleme ve ayar imkanı
Kategoriler: KCL Değişken Debili Tandem Paletli Pompalar
Etiketler: KPVV
Açıklama
|
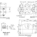
TEKNİK VERİ TABLOSU |
|||||||||||
|
MODEL |
Ön Pompa İletim Hacmi cm³/rev |
Arka Pompa İletim Hacmi cm³/rev |
Dönüş Yönü |
Çalışma Basıncı bar |
Çalışma Basıncı bar |
Shaft Kodu |
P Max bar |
Devir rpm |
Shaft Kodu |
Bağlantı Noktaları |
|
|
KPVV |
25 |
8 |
F: Flanş Tip L: Ayaklı tip |
1 : 15 – 143 2 : 20 – 215 |
1 : 15 – 143 2 : 20 – 215 3 : 25 – 255 |
B : SAE – B 2 Ø 101,6 |
255 |
12 : 1200 15 : 1500 18 : 1800 |
01 : kamalı SAE-B ⌀ 22,23 x 6,35 02 : Frezeli 16/32-13 ft |
01: Emiş : 3/4 ” BSP Basınç : 1/2 ” BSP Tahliye: 3/8 ” BSP 02: Emiş: 16 SAE Basınç: 12 SAE Tahliye: 8 SAE |
|
|
12 |
|||||||||||
|
32 |
|||||||||||
|
16 |
|||||||||||
|
36 |
|||||||||||
|
20 |
|||||||||||
|
40 |
|||||||||||
|
23 |
|||||||||||

