KCL – KT67DB
TEKNİK ÖZELLİKLER
- Konfigürasyon: Bir KT6D (ön) ve bir KT7B (arka) pompa bölümünden oluşan çiftli yapı.
- Debi Aralığı: Her iki bölüm için geniş Debi seçenekleri (KT6D ve KT7B serilerinin kombine Debiları).
- Maksimum Çalışma Basıncı:
- KT6D bölümü: 280 bar (sürekli), 320 bar (tepe)
- KT7B bölümü: 320 bar (sürekli), 350 bar (tepe)
- Yüksek Verimlilik: Hem volumetrik hem de mekanik açıdan yüksek verim oranları ile enerji tasarrufu sağlar.
- Maksimum Devir Sayısı: Uygulamaya ve Debi kombinasyonuna bağlı olarak yüksek devirlerde verimli çalışma.
Neden KCL KT67DB Serisi? Teknik Avantajlar
- **Aşırı Ağır Hizmet Tasarımı:** En yoğun ve sürekli çalışma koşullarına dayanacak şekilde güçlendirilmiş yapı.
- **Alan ve Maliyet Tasarrufu:** İki ayrı yüksek performanslı pompanın işlevini tek bir kompakt ünitede birleştirir, montaj alanını ve sistem karmaşasını azaltır.
- **Sistem Basitleştirme:** İki bağımsız hidrolik devrenin tek bir tahrik noktası üzerinden beslenmesine olanak tanır, borulama ve kontrol sistemi tasarımını kolaylaştırır.
- **Düşük Gürültü Seviyesi:** KCL’nin gelişmiş palet ve kam halkası tasarımlarıyla sessiz çalışma sağlar.
- **Basınç Dengeli Yapı:** Mil ve yataklardaki yükleri minimize ederek pompanın ömrünü uzatır ve genel verimliliği artırır.
- **Modüler Kartuş Sistemi:** Her iki pompa bölümünün kartuşları ayrı ayrı değiştirilebilir, bu da hızlı servis ve düşük bakım maliyetleri sağlar.
- **Esneklik:** Farklı debi ve çok yüksek basınç ihtiyaçlarına sahip iki farklı hidrolik fonksiyonu aynı anda ve verimli bir şekilde destekleme yeteneği.
Uygulama Alanları: KCL KT67DB Serisi Çiftli Paletli Pompalar, iki farklı hidrolik devrenin eş zamanlı ve çok yüksek basınçlı çalışmasını gerektiren aşağıdaki kritik endüstriyel ve mobil uygulamalar için idealdir:
- Ağır madencilik ve tünel açma makineleri
- Yüksek tonajlı hidrolik presler ve metal şekillendirme makineleri
- Ağır hizmet mobil vinçler ve kaldırma sistemleri
- Denizcilik ve liman ekipmanları (güverte vinçleri, offshore platformları)
- Çok işlevli, yüksek güçlü endüstriyel hidrolik güç üniteleri
- Özel amaçlı ağır iş makineleri
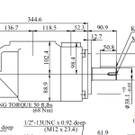
Standart Donanım: Geniş SAE mil ve flanş bağlantı seçenekleri ile sisteminize kolay entegrasyon.
KCL KT67DB Serisi ile hidrolik sistemlerinizde çift gücü, maksimum dayanıklılığı ve en zorlu koşullarda bile üstün performansı bir arada deneyimleyin!
Kategoriler: KCL Parker/Denison Tip Sabit Debili Tandem Pompalar
Etiketler: KT67DB
Açıklama
| MODEL | Ağır Hizmet | Seri No P1 | Seri No P2 | İletim Hacmi P1 | İletim Hacmi P2 | Shaft Kodu | Dönüş | Port | P Max | Max |
| Shaft Tipi | gpm | gpm | cm³/rev | cm³/rev | Yönü | Kombinasyonu | bar | rpm | ||
| KT67DB | W | 014 | B02 | 47,60 | 5,70 | 00
01 02 03 04 05 06 07 08 10 10 11 12 13 14 15 |
P1: 240
P2: 300 |
2800 | ||
| 017 | B03 | 58,20 | 9,80 | |||||||
| 020 | B04 | 66,00 | 12,80 | 1 : kamalı SAE C ( Ø31,75 x 7,95 ) | ||||||
| 024 | B05 | 79,50 | 15,90 | R: Saat Yönü | ||||||
| 028 | B06 | 89,70 | 19,80 | 2 : kamalı ( Ø 31,75 x 7,95 ) | ||||||
| 031 | B07 | 98,30 | 22,50 | |||||||
| 035 | B08 | 111,00 | 24,90 | 3 : SAE C Frezeli ( 12/24-14t ) | L: Saat Yönü | |||||
| 038 | B09 | 120,30 | 28,00 | Tersi | ||||||
| 042 | B10 | 136,00 | 31,80 | 4 : Frezeli ( 12/24-14t ) | ||||||
| 045 | B11 | 145,70 | 34,90 | |||||||
| 050 | B12 | 158,00 | 40,90 | 5 : kamalı ( Ø 34,9 x 7,95 ) | 2500 | |||||
| 061 | B14 | 190,50 | 45,10 | P1: 210 | ||||||
| B15 | 50,00 | P2: 280 | ||||||||
| Emiş flanşı : SAE 3” 3000PSI | ||||||||||
| Basınç Flanşı P1: SAE 11/4 ” 3000 PSI Basınç Flanşı P2: SAE 3/4 ” 3000 PSI | ||||||||||
| Ön flanş bağlantı standartı : SAE C-2 * Ø 127 | ||||||||||

