KCL – KT7ED – KT7EDS
TEKNİK ÖZELLİKLER
- Konfigürasyonlar:
- KT7ED: Bir KT7E (en yüksek basınç) ve bir KT7D (yüksek basınç) pompa bölümünden oluşan çiftli (tandem) yapı.
- KT7EDS: Bir KT7E ön, bir KT7D orta ve bir KT7S (daha küçük Debili KT7) arka pompa bölümünden oluşan üçlü (triple) yapı.
- Debi Aralığı: Her bir bölüm için geniş Debi seçenekleri sunar (KT7 serisinin kombine Debiları).
- Maksimum Çalışma Basıncı: Modele ve Debia bağlı olarak **320 bar (sürekli) / 350 bar (tepe)** gibi olağanüstü yüksek basınç kapasiteleri.
- Yüksek Verimlilik: Hem volumetrik hem de mekanik açıdan yüksek verim oranları ile enerji tasarrufu sağlar.
- Maksimum Devir Sayısı: Uygulamaya ve Debi kombinasyonuna bağlı olarak yüksek devirlerde verimli çalışma.
Neden KCL KT7ED & KT7EDS Serisi? Teknik Avantajlar
- **Aşırı Ağır Hizmet Tasarımı:** En yoğun ve sürekli **ultra yüksek basınçlı** çalışma koşullarına dayanacak şekilde güçlendirilmiş yapı.
- **Çoklu Bağımsız Devreler:** Tek bir tahrik noktasından iki (KT7ED) veya üç (KT7EDS) ayrı fonksiyona aynı anda güç sağlar, sistem karmaşasını ve komponent sayısını minimize eder.
- **Alan ve Maliyet Tasarrufu:** Birden fazla pompanın işlevini tek bir kompakt ünitede birleştirerek montaj alanını ve genel sistem maliyetini önemli ölçüde azaltır.
- **Düşük Gürültü Seviyesi:** KCL’nin gelişmiş palet ve kam halkası tasarımlarıyla sessiz ve titreşimsiz çalışma.
- **Basınç Dengeli Yapı:** Mil ve yataklardaki yükleri minimize ederek pompanın ömrünü uzatır ve genel verimliliği artırır.
- **Modüler Kartuş Sistemi:** Her bir pompa bölümünün kartuşları ayrı ayrı değiştirilebilir, bu da sahada hızlı servis ve düşük bakım maliyetleri sağlar.
- **Yüksek Esneklik:** Farklı debi ve **ultra yüksek basınç** ihtiyaçlarına sahip birden fazla hidrolik fonksiyonu aynı anda ve verimli bir şekilde destekleme yeteneği.
Uygulama Alanları: KCL KT7ED ve KT7EDS Serisi Paletli Pompalar, çoklu hidrolik devrenin eş zamanlı ve ultra yüksek basınçlı çalışmasını gerektiren aşağıdaki kritik endüstriyel ve mobil uygulamalar için idealdir:
- Ağır madencilik ve tünel açma makineleri
- **Ultra yüksek tonajlı hidrolik presler** ve metal şekillendirme makineleri
- Ağır hizmet mobil vinçler ve kaldırma sistemleri (birden fazla hareket eksesi için)
- Denizcilik ve liman ekipmanları (güverte vinçleri, offshore platformları)
- Çok işlevli, yüksek güçlü endüstriyel hidrolik güç üniteleri
- Özel amaçlı ağır iş makineleri ve simülatörler
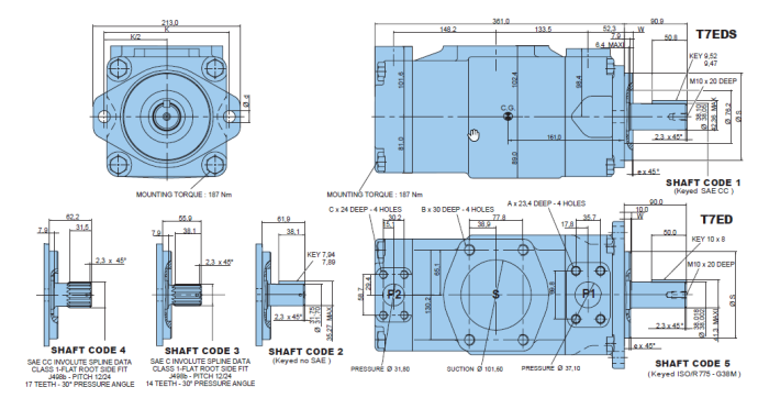
Standart Donanım: Geniş SAE mil ve flanş bağlantı seçenekleri ile sisteminize kolay entegrasyon.
KCL KT7ED ve KT7EDS Serisi ile hidrolik sistemlerinizde maksimum gücü, esnekliği ve en zorlu koşullarda bile kesintisiz performansı bir arada deneyimleyin!
Kategoriler: KCL Parker/Denison Tip Sabit Debili Tandem Pompalar
Etiketler: KT7ED - KT7EDS
Açıklama
| MODEL | Seri No P1 | Seri No P2 | İletim Hacmi P1 | İletim Hacmi P2 | Shaft Kodu | Dönüş | Port | P Max | Max |
| gpm | gpm | cm³/rev | cm³/rev | Yönü | Kombinasyonu | bar | rpm | ||
| KT7ED | 042 | 014 | 132,3 | 47,6 |
|
00 01 02 03 04 05 06 07 08 10 10 11 12 13 14 15 |
P1 : 240 P2: 250 |
2200 | |
| 045 | 017 | 142,4 | 58,2 | 1 : (SAE-CC) kamalı ( Ø38,1 x 9,52 ) | |||||
| 050 | 020 | 158,5 | 66 | ||||||
| 057 | 024 | 164,8 | 79,5 |
2 : kamalı ( Ø31,75 x 7,94 ) |
R: Saat Yönü | ||||
| 062 | 028 | 180,7 | 89,7 | ||||||
| 066 | 031 | 196,7 | 98,3 | 3: SAE-C Frezeli (12/24-14t ) | |||||
| 072 | 035 | 213,3 | 111 | L: Saat Yönü | |||||
| 085 | 038 | 227,1 | 120,3 | 4: SAE-CC Frezeli (12/24-17t ) | Tersi | ||||
| 042 | 136 | ||||||||
| 045 | 145,7 | 5 : ( Ø 38,02 x 10,0 / 8,0 ) | |||||||
| 050 | 158 | P1: 90 P2:210 | |||||||
| Emiş flanşı : SAE 4'' 3000PSI | |||||||||
| Basınç Flanşı P1: SAE 11/2 '' 3000 PSI Basınç Flanşı P2: SAE 11/4 '' 3000 PSI | |||||||||
| Ön flanş bağlantı standartı : ISO 3019-2 125 A2 HW Ø 125 -2 | |||||||||
| MODEL | Seri No P1 | Seri No P2 | İletim Hacmi P1 | İletim Hacmi P2 | Shaft Kodu | Dönüş | Port | P Max | Max |
| gpm | gpm | cm³/rev | cm³/rev | Yönü | Kombinasyonu | bar | rpm | ||
| KT7EDS | 042 | 014 | 132,3 | 47,6 |
|
00 01 02 03 04 05 06 07 08 10 10 11 12 13 14 15 |
P1 : 240 P2: 250 |
2200 | |
| 045 | 017 | 142,4 | 58,2 | 1 : (SAE-CC) kamalı ( Ø38,1 x 9,52 ) | |||||
| 050 | 020 | 158,5 | 66 | ||||||
| 057 | 024 | 164,8 | 79,5 |
2 : kamalı ( Ø31,75 x 7,94 ) |
R: Saat Yönü | ||||
| 062 | 028 | 180,7 | 89,7 | ||||||
| 066 | 031 | 196,7 | 98,3 | 3: SAE-C Frezeli (12/24-14t ) | |||||
| 072 | 035 | 213,3 | 111 | L: Saat Yönü | |||||
| 085 | 038 | 227,1 | 120,3 | 4: SAE-CC Frezeli (12/24-17t ) | Tersi | ||||
| 042 | 136 | ||||||||
| 045 | 145,7 | 5 : ( Ø 38,02 x 10,0 / 8,0 ) | |||||||
| 050 | 158 | P1: 90 P2:210 | |||||||
| Emiş flanşı : SAE 4'' 3000PSI | |||||||||
| Basınç Flanşı P1: SAE 11/2 '' 3000 PSI Basınç Flanşı P2: SAE 11/4 '' 3000 PSI | |||||||||
| Ön flanş bağlantı standartı : SAE C-2 * Ø 127 | |||||||||

