KCL – KT67BB
TEKNİK ÖZELLİKLER
- Konfigürasyon: Bir KT6 ön pompa bölümü ve bir KT7 arka pompa bölümünden oluşan çiftli yapı.
- Debi Aralığı: Her bir bölüm için geniş Debi seçenekleri (KT6 için tipik 50-150 cm³/devir, KT7 için tipik 150-250 cm³/devir, modele göre değişir).
- Maksimum Çalışma Basıncı: KT6 bölümü için 250-280 bar, KT7 bölümü için 280-320 bar (sürekli).
- Tepe Basıncı: Her iki bölüm için 320-350 bar’a kadar.
- Yüksek Verimlilik: Mükemmel volumetrik ve mekanik verim oranları.
- Maksimum Devir Sayısı: Uygulamaya ve Debi kombinasyonuna bağlı olarak yüksek devirlerde verimli çalışma.
Neden KCL KT67BB Serisi? Teknik Avantajlar
- **Alan ve Maliyet Tasarrufu:** İki pompanın işlevini tek bir kompakt ünitede birleştirerek montaj alanını ve sistem maliyetini azaltır.
- **Sistem Basitleştirme:** İki bağımsız hidrolik devrenin tek bir tahrik noktası üzerinden beslenmesine olanak tanır, borulama ve kontrol karmaşasını minimize eder.
- **Ağır Hizmet Tasarımı:** Her iki KT6 ve KT7 serisinin dayanıklılığı sayesinde yoğun ve sürekli çalışma koşullarına dayanıklıdır.
- **Düşük Gürültü Seviyesi:** Optimize edilmiş kanat ve kam halkası tasarımlarıyla sessiz çalışma.
- **Basınç Dengeli Tasarım:** Mil ve yataklardaki yükleri azaltarak pompanın ömrünü uzatır ve verimliliği artırır.
- **Modüler Kartuş Yapısı:** Her iki pompa bölümünün kartuşları ayrı ayrı değiştirilebilir, bu da hızlı servis ve düşük bakım maliyetleri sağlar.
- **Esneklik:** Farklı debi ve basınç ihtiyaçlarına sahip iki farklı hidrolik fonksiyonu aynı anda destekleme yeteneği.
Uygulama Alanları: KCL KT67BB Serisi Çiftli Paletli Pompalar, iki farklı hidrolik devrenin eş zamanlı ve güvenilir çalışmasını gerektiren aşağıdaki endüstriyel ve mobil uygulamalar için idealdir:
- Mobil iş makineleri (yükleyiciler, ekskavatörler, vinçler – farklı işlevler için)
- İnşaat ve yol yapım ekipmanları
- Tarım makineleri (birden fazla hidrolik ekipman çalıştıran)
- Hidrolik presler ve metal şekillendirme makineleri (hızlı yaklaşma/basma/geri dönüş devreleri)
- Denizcilik ve liman ekipmanları
- Ağır sanayi hidrolik güç üniteleri
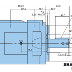
Standart Donanım: Geniş SAE mil ve flanş bağlantı seçenekleri ile sisteminize kolay entegrasyon.
KCL KT67BB Serisi Çiftli (Tandem) Paletli Pompalar, KCL’nin kanıtlanmış KT6 ve KT7 serilerinin dayanıklılık ve performansını tek bir kompakt ünitede birleştirir. Bu pompalar, **aynı tahrik milinden beslenen iki bağımsız pompa bölümü** sayesinde, farklı debi ve basınç gereksinimleri olan iki ayrı hidrolik devreyi beslemek için idealdir. Özellikle ağır hizmet mobil ve endüstriyel uygulamalarda, **yerden tasarruf, sistem basitleştirmesi ve yüksek verimlilik** arayan çözümler için tasarlanmışlardır.
|
TEKNİK VERİ TABLOSU |
||||||||||
|
MODEL |
Ağır Hizmet |
Seri No P1 |
Seri No P2 |
İletim Hacmi P1 |
İletim Hacmi P2 |
Shaft Kodu |
Dönüş Yönü |
Port Kominasyonu |
P Max Bar |
Max Rpm |
|
Shaft Tipi |
gpm |
gpm |
cm³/rev |
cm³/rev |
||||||
|
KT67BB |
W |
B02 |
B02 |
5,7 |
5,7 |
1: Kamalı ( Ø22,22 x 4,7 ) 2: Kamalı SAE-BB ( Ø 25,4 x 6,35 ) 3: SAE BB Frezeli ( 16/32-15t ) 5 : SAE B Frezeli ( 16/32-13t ) |
R:Saat Yönü L:Saat Yönü Tersi |
00 01 02 03 04 05 06 07 08 10 10 11 12 13 14 15 |
300 |
2800 |
|
B03 |
B03 |
9,8 |
9,8 |
|||||||
|
B04 |
B04 |
12,8 |
12,8 |
|||||||
|
B05 |
B05 |
15,9 |
15,9 |
|||||||
|
B06 |
B06 |
19,8 |
19,8 |
|||||||
|
B07 |
B07 |
22,5 |
22,5 |
|||||||
|
B08 |
B08 |
24,9 |
24,9 |
|||||||
|
B09 |
B09 |
28 |
28 |
|||||||
|
B10 |
B10 |
31,8 |
31,8 |
|||||||
|
B11 |
B11 |
34,9 |
34,9 |
|||||||
|
B12 |
B12 |
40,9 |
40,9 |
|||||||
|
B14 |
B14 |
45,1 |
45,1 |
|||||||
|
B15 |
B15 |
50 |
50 |
P2: 280 |
||||||
|
Emiş Flanşı : SAE 21/2 yada 3 ” 3000 PSI |
||||||||||
|
Basınç Flanşı P1: SAE 1” 3000 PSI Basınç Flanşı P2: SAE 1” yada SAE 3/4 ” 3000 PSI |
||||||||||
|
Ön Flanş Bağlantı Standardı : SAE B-2 * Ø 101,6 |
||||||||||

