KCL – KT7D – KT7DS
TEKNİK ÖZELLİKLER
- Model Serileri: KT7D ve KT7DS (Tekli ve Çiftli konfigürasyonlar mevcuttur).
- Yüksek Debi Aralığı: Geniş bir debi yelpazesi sunar (modele göre değişir).
- Maksimum Çalışma Basıncı: Çok yüksek basınç kapasitesi (örn: 280-320 bar sürekli, 350 bar tepe).
- Maksimum Devir Sayısı: Uygulamaya ve Debia bağlı olarak yüksek devirlerde verimli çalışabilir.
- Üstün Verimlilik: Hem volumetrik hem de mekanik açıdan yüksek verim sağlar.
Neden KCL KT7D & KT7DS Serisi? Teknik Avantajlar
- **Aşırı Ağır Hizmet Tasarımı:** En zorlu ve sürekli çalışma koşullarına dayanacak şekilde güçlendirilmiş yapı.
- **Düşük Gürültü Seviyesi:** Optimize edilmiş iç bileşenler sayesinde sessiz ve akıcı çalışma.
- **Uzun Servis Ömrü:** Yüksek kaliteli malzemeler, hassas üretim ve dayanıklı rulmanlar ile garanti edilen uzun kullanım ömrü.
- **Basınç Dengeli Yapı:** Mil ve yataklardaki yükü minimize ederek verimliliği artırır ve pompanın ömrünü uzatır.
- **KT7DS Farkı:** Özellikle **aşırı darbe yükleri, yüksek sıcaklıklar veya korozif ortamlar** gibi en zorlu koşullar için geliştirilmiş ek dayanıklılık özellikleri.
- **Değiştirilebilir Kartuş Sistemi:** Hızlı ve kolay servis imkanı sunarak bakım sürelerini ve işletme maliyetlerini düşürür.
Uygulama Alanları: KCL KT7D ve KT7DS serisi pompalar, yüksek performans ve güvenilirliğin mutlak gereklilik olduğu aşağıdaki endüstriyel ve mobil uygulamalar için idealdir:
- Ağır madencilik ve tünel açma makineleri
- Büyük ölçekli hidrolik presler ve metal şekillendirme tezgahları
- Ağır hizmet mobil vinçler ve kaldırma sistemleri
- Denizcilik ve liman ekipmanları (offshore platformlar dahil)
- Çok işlevli, yüksek güçlü endüstriyel hidrolik güç üniteleri
- Özel amaçlı ağır iş makineleri
Standart Donanım: Geniş SAE mil ve flanş bağlantı seçenekleri ile sisteminize kolay entegrasyon.
KCL KT7D ve KT7DS serisi ile hidrolik sistemlerinizin gücünü en üst düzeye çıkarın ve en zorlu koşullarda bile kesintisiz performansın keyfini yaşayın!
Kategoriler: KCL Parker/Denison Tip Sabit Debili Paletli
Etiketler: KT7D - KT7DS
Açıklama
KCL KT7D ve KT7DS serisi Paletli pompalar, KCL’nin en zorlu hidrolik uygulamalar için geliştirdiği, **üstün performanslı ve aşırı dayanıklı** çözümleridir. Bu pompalar, yüksek çalışma basınçlarına, kesintisiz güç aktarımına ve olağanüstü uzun hizmet ömrüne ihtiyaç duyan sistemler için tasarlanmıştır. KT7DS modeli, özellikle en kritik ve yüksek yük altındaki uygulamalar için geliştirilmiş ek dayanıklılık ve performans özellikleri sunar.
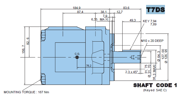
| MODEL | Seri No | İletim Hacmi | Shaft Kodu | Dönüş | Port | P Max | Max |
| gpm | cm³/rev | Yönü | Kombinasyonu | bar | rpm | ||
| KT7D KT7DS | B14 | 43,9 | R: Saat Yönü L: Saat | 300 | 3000 | ||
| B17 | 55 | 1 : SAE C kamalı ( Ø31,75 x 7,94) | 0 0 ( Basınç ve emiş karşılıklı) | ||||
| B20 | 66 | ||||||
| B24 | 81,1 | 2 : kamalı ( Ø31,75 x 7,94 ) | 0 1 (Basınç ve Emiş aynı yönde) | ||||
| B28 | 89,9 | ||||||
| B31 | 99,1 | 3 : frezeli ( 12/24-14ft ) | 0 2 (Emiş sağda | ||||
| B35 | 113,4 | 280 | |||||
| B38 | 120,6 | 4 : frezeli ( 12/24-14ft ) | 0 3 (Emiş solda) | ||||
| B42 | 137,5 | 260 | |||||
| B45 | 145,7 | 5 : ( Ø 32,03 X 10 / 8 ) | 240 | 220 | |||
| B50 | 159,9 | 210 | |||||
| Emiş flanşı : SAE 2” 3000PSI | |||||||
| Basınç Flanşı: SAE 11/4 ” 3000 PSI | |||||||
| Ön flanş bağlantı standartı : SAE C-2 Ø 127 | |||||||












