KCL – KT67DCB
TEKNİK ÖZELLİKLER
- Konfigürasyon: Bir KT6D (ön), bir KT7C (orta) ve bir KT7B (arka) pompa bölümünden oluşan üçlü yapı.
- Debi Aralığı: Her üç bölüm için geniş Debi seçenekleri (KT6D, KT7C ve KT7B serilerinin kombine Debiları).
- Maksimum Çalışma Basıncı:
- KT6D bölümü: 280 bar (sürekli), 320 bar (tepe)
- KT7C bölümü: 280 bar (sürekli), 320 bar (tepe)
- KT7B bölümü: 320 bar (sürekli), 350 bar (tepe)
- Yüksek Verimlilik: Her üç bölümde de mükemmel volumetrik ve mekanik verim oranları ile enerji tasarrufu sağlar.
- Maksimum Devir Sayısı: Uygulamaya ve Debi kombinasyonuna bağlı olarak yüksek devirlerde verimli çalışma.
Neden KCL KT67DCB Serisi? Teknik Avantajlar
- **Üç Bağımsız Hidrolik Devre:** Tek bir tahrik noktasından üç ayrı fonksiyona aynı anda güç sağlar, sistem karmaşasını ve komponent sayısını minimize eder.
- **Alan ve Maliyet Tasarrufu:** Üç ayrı pompanın işlevini tek bir kompakt ünitede birleştirerek montaj alanını ve genel sistem maliyetini önemli ölçüde azaltır.
- **Aşırı Ağır Hizmet Tasarımı:** En yoğun ve sürekli çalışma koşullarına dayanacak şekilde güçlendirilmiş, sağlam yapı.
- **Düşük Gürültü Seviyesi:** KCL’nin gelişmiş palet ve kam halkası tasarımlarıyla sessiz ve titreşimsiz çalışma.
- **Basınç Dengeli Yapı:** Mil ve yataklardaki yükleri minimize ederek pompanın ömrünü uzatır ve genel verimliliği artırır.
- **Modüler Kartuş Sistemi:** Her bir pompa bölümünün kartuşları ayrı ayrı değiştirilebilir, bu da sahada hızlı servis ve düşük bakım maliyetleri sağlar.
- **Yüksek Esneklik:** Farklı debi ve çok yüksek basınç ihtiyaçlarına sahip üç farklı hidrolik fonksiyonu aynı anda ve verimli bir şekilde destekleme yeteneği.
Uygulama Alanları: KCL KT67DCB Serisi Üçlü Paletli Pompalar, üç farklı hidrolik devrenin eş zamanlı ve çok yüksek basınçlı çalışmasını gerektiren aşağıdaki kritik endüstriyel ve mobil uygulamalar için idealdir:
- Çok işlevli büyük iş makineleri (madencilik, inşaat, tünel açma)
- Kompleks hidrolik presler ve özel üretim hatları
- Gelişmiş mobil vinçler ve kaldırma sistemleri (birden fazla hareket ekseni için)
- Büyük denizcilik ve liman ekipmanları (açık deniz platformları dahil)
- Çoklu pompa gerektiren endüstriyel hidrolik güç üniteleri
- Özel amaçlı ağır iş makineleri ve simülatörler
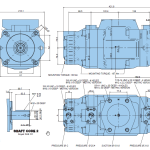
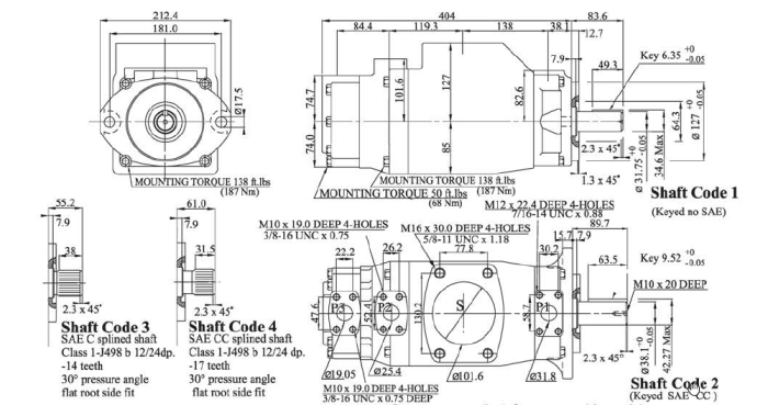
Standart Donanım: Geniş SAE mil ve flanş bağlantı seçenekleri ile sisteminize kolay entegrasyon.
KCL KT67DCB Serisi ile hidrolik sistemlerinizde üçlü gücü, maksimum esnekliği ve en zorlu koşullarda bile kesintisiz performansı bir arada deneyimleyin!
Kategoriler: KCL Parker/Denison Tip Sabit Debili Tandem Pompalar
Etiketler: KT67DCB
Açıklama
| MODEL | Seri No P1 | Seri No P2 | Seri No P3 | İletim Hacmi P1 | İletim Hacmi P2 | İletim Hacmi P3 | Shaft Kodu | Dönüş | Port | P Max | Max |
| gpm | gpm | gpm | cm³/rev | cm³/rev | cm³/rev | Yönü | Kombinasyonu | bar | rpm | ||
| KT67DCB | 014 | 005 | 005 | 47,6 | 10,8 | 10,8 |
00
01 02 03 04 05 06 07 08 10 10 11 12 13 14 15 |
P1 : 240
P2: 275 |
2500 | ||
| 017 | 006 | 006 | 58,2 | 17,2 | 17,2 | 1 : kamalı ( Ø31,75 x 6,35) |
|||||
| 020 | 008 | 008 | 66 | 21,3 | 21,3 | ||||||
| 024 | 010 | 010 | 79,5 | 26,4 | 26,4 | 2: SAE CC kamalı ( Ø38,1 x 9,52 ) |
R: Saat Yönü | ||||
| 028 | 012 | 012 | 89,7 | 34,1 | 34,1 | ||||||
| 031 | 014 | 014 | 98,3 | 37,1 | 37,1 | 3: SAE-C Frezeli (12/24-14t ) | |||||
| 035 | 017 | 017 | 111 | 46 | 46 | L: Saat Yönü | |||||
| 038 | 020 | 020 | 120,3 | 58,3 | 58,3 | 4 : SAE CC Frezeli (12/24-17t ) | Tersi | ||||
| 042 | 022 | 022 | 136 | 63,8 | 63,8 | ||||||
| 045 | 025 | 025 | 145,7 | 70,3 | 70,3 | ||||||
| 050 | 028 | 028 | 158 | 79,3 | 79,3 | 2500 | |||||
| 061 | 031 | 031 | 190,5 | 88,8 | 88,8 | P1&P2 : 210 | |||||
| Emiş flanşı : SAE 4” 3000PSI | |||||||||||
| Basınç Flanşı P1: SAE 11/4 ” 3000 PSI Basınç Flanşı P2: SAE 1” Basınç Flanşı P3: SAE 1” yada SAE 3/4 ” 3000 PSI | |||||||||||
| Ön flanş bağlantı standartı : SAE C-2 * Ø 127 | |||||||||||

